
作者:www.nenghua.com.cn 发布日期:2014-08-29 12:08 信息来源:http://www.lp1995.com
摘要:随着电力电子技术的迅速发展,直流电源应用非常广泛,其好坏直接影响着电气设备或控制系统的工作性能。目
前,市场上各种直流电源的基本环节大致相同,都包括交流电源、交流变压器、整流电路、滤波稳压电路等。文章介绍了
将单片机控制系统应用于直流稳压电源的方法和原理,实现了稳压电源的数控调节,在宽输出电压下实现了O.1v步进调
节,并分析了稳压工作原理和电压调节方法。该电源具有电压调整简便、电压输出稳定、便于智能化管理等特点。
中用分类号:TMl31
文献标识码:A
文章编号:1009-2374(2009)21-0036--02
随着电力电子技术的迅速发展,直流电源应用非常广泛,
其好坏直接影响着电气设备或控制系统的工作性能。直流稳压
电源是电子技术常用的设备之一,广泛的应用于教学、科研等
领域。传统的多功能直流稳压电源功能简单、难控制、可靠性
低、干扰大、精度低且体积大、复杂度高。而基于单片机控制的
直流稳压电源能较好地解决以上传统稳压电源的不足。其良好
的性价比更能为人们所接受,因此,具有一定的设计价值。
一、系统设计
(一)方框图设计
该电路采用单片机(AT89C51)作为主控电路,由三端集成
稳压器(LM317)作为稳压输出部分。另外,电路还增加参考电
压电路、D/A转换电路、电压放大电路、显示电路等部分电路。其
方框图如图1所示:

5.12V,所以:荏DAC的8脚输出电压的分辨率为5.12V/256=0.02V,
也就是说D^输^数据端每增加1,电压增力110.02V。

图2单片机控制直流电压输出电路图
DA的电压输出端接放ShT:器OP07的输入端,放大器的放大
倍数为(R8+R9)/R8=(1K+4K)/1K=5,输出到电压模块LM317的
电压分辨率为0.02V×5--0.IV。所以,当MCU输出数据增加l的
时候,最终输出电压增加0.IV,当调节电压的时候,可以以每次
0.1V的梯度增加或者降低电压。

图1用单片机制作的直流稳压可调电源框图
整个电路的运行需要模拟电压源提供+5V,±15V的模拟
电压,以便使电路中的集成数字芯片能够正常工作。电路运行
时,首先由单片机设置初始电压值,并送显示电路显示。然后将
电压值送D/A转换电路进行数模转换,再经放大电路进行电压
放大,最终反馈到三端集成稳压器(LM317)输出模拟电压。
(二)硬件设计
本电路的硬件组成部分主要由单片机(AT89C51)、变压器、
整流电路、滤波电路、稳压器(LM317)、参考电压电路、D/A转换
电路(DA0832)、放大电路、显示电路等组成。
硬件电路如图2所示,整个电路通过单片机(AT89C51)控
制,P0121和DAC0832的数据口直接相连,DA的cs和WRl连接后
扫印26,WR2和XFER接地,让DA工作在单缓冲方式下。DA的11
脚接参考电压,通过调节可调电阻使LM336的输出电压为
一36—
本电路设计两个按键,S1为电压增键,S2为电压减键,按一
下S1。当前电压增加O.iv,按一下S2,当前电压减d,o.IV。
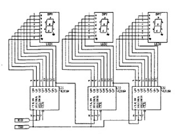
显示部分由三位共阳数码管和74LSl64串入并出模块组
成,电路如图3所示,可以显示三位数,一位显示十位,一位显示
个位,另外还有—个小数位,比如可以显示12.5v,采用动态扫描
驱动方式。本主电路的原理就是通过MCU控制DA的输出电压
大小,通过放大器放大,给电压模块作为最终输出的参考电压,
真正的电压,电流还是稳压模块LM317.输出。
(三)软件设计
在本电路中由于CPU的工作任务是单一的,因此,源程序
的工作过程为:系统上电复位后,默认输出9V电压,然后扫描
S1,S2键,当s1或S2键有按下时,程序跳转至相应的按键处理子
程序,经按键子程序处理后,再嵌套调用显示子程序,完成显示
与输出操作后返回主程序,继续扫描此两键,程序运行原理如
万方数据
硬件调试:首先检查整个电路,电路连接完好,没有明显的
错连,漏连。接上电源,电源指示灯亮,数码管显示初始电压
值+5V,用万用表的两只表笔测试LM317的输出电压为4.96V。
当按下S1键一次,数码显示电压值变为4.9V,万用表读数变为
4.85V。再按下S2键一次,数码显示电压值变为5.0V,万用表读
数再次变为4.96V。通过改变显示电压值,用万用表测得几组输
出电压数据见表l:
表l电压调试所测数据对比分析表单位:v
预设电压0.0
实际电压O.Ol
误差0.01
1.0
0.96
0.04
1.2
1.16
0.04
IA
1.35
0.05
1.5
1.45
0.05
3.0
3.0l
0.Ol
5.0
4.96
0.04
8.8
8.75
O.05
10.0
9.92
0.08
系统平均误差A d=0.41V。
图3显示部分
下:
误差原因分析:(1)工作电源不够稳定。不能为数字集成块
提供精确工作电压;(2)电路参数设定不够精确;(3)提供给D/A
转换的参考电压不够精确,使得转换过程存在误差;(4)单片机
的POU传输给D/A转换的数据不够准确,使得输出出现误差;
(5)系统缺少电压电流采样电路。
三、结语
在本文中,实现了以单片机为核心的直流稳压电源的智能
控制,达到了预期的目的和要求。
参考文献
程序设计需要考虑的主要问题有两个方面:一方面要找出
数字量Dn与输出电压的关系,这是程序设计的依据;另一方面
要建立显示值与输出电压值的对应关系。这是程序设计是否成
功的标志。因为在本系统中,显示的输出电压值不是之前从输
出电路中通过检测得到的,因此显示与输出并不存在直接联
系。但为了使显示值与实际输出值相一致,在程序编写时,必须
人为地为两者建立某种关系。采用的方法是:在程序存储器中
建立TABl和TAB2两张表格,TABl放101个Dn值,数值从小到大
顺序排列,其值分别对应输出电压0.10v,TAB2存放数码显示
器0—99符所对应的数据。TABl表格的数据指针存放在内存
RAM中23H单元,内存20H,21H和22H三个单元分别存放数码
显示器小数点一位,个位和十位的字符数据指针。在主程序中
初始化后之后首先给23H赋予40的偏移量,这个偏移量指向
TAB表中的Dn为145,此值对应的输出电压为9V,由于这个原
因,必然要求显示器显示的字符为“05.0”,为此。须分别给
20H,21H和22H赋予O,5和0的偏移量,这三个偏移量分别指向
TAB2中0。5和输出两者之间就建立了初步的对应关系。为了使
两者保持这种对应的关系,在K1和K2按键处理子程序中,必须
使23H,20H,21H和22H四个数据指针保持“同步”地变化,即为
当K有键时。23H单元增加l指向下一Dn时,20H单元也相应增
加1指向下一字符,并且20H单元(小数点一位指针)、21H单元
(个位指针)和22H元(十位指针)应遵循十进制加法的原则。有
进位时相应各位应作出相应地变化;当l(2有键时,23H单元减l
指向前一Dn时,20H单元也相应减1指向前一字符,并且
20H,21H,22H----个单元的数据指针应遵循十进制减法原则,有
借位时相应的各位须作出相应地变化。按照这一算法只要控制
TABl表格数据指针不超出表格的长度就能使显示值与输出值
【1】都立军.直流稳压电源的设计方法叨.农业机械化与电气
化,2007,(1).
【2]王翠珍,唐金元.可调直流稳压电源电路的设计叨.中国
测试技术,2006,(5).
【3】殷红彩,葛立峰.一种多输出直流稳压电源的设计叨.传
感器世界,2006,12(9).
【4】何希才.稳压电源电路的设计与应用[M】.北京:中国电力
出版社。2006.
【5]郑耀添.直流电源技术的发展方向阴.韩山师范学院学
报,2005,26(3).
[6]Lu Yanaun.Manufacturing
Development Emphases On Power
Generation and Transmission Apparatus In 1 lth Five-Year Plan
Period And Prospect To the Year
2020阴.ELECTRICITY,2004.
同陈宁.基于单片机的高品质直流电源凹.电子产品世界,
2005。(2).
【8】顾旭.关于直流稳压电源整流电路的探讨忉.科技信息,
2005,(10).
【9】葛晖.直流稳压电源的基本原理阴.集宁师专学报,2004,26
(4).
保持一对应的关系,即显示器能准确地显示出电源输出电压
路需要对输出电压进行校正。
值的大小。达到电路设计的目的。由于理论计算与实际情况还
存在着一定的差异,为了使显示值更加接近实际输出值,本电
[10】韩建文.基于单片机的智能稳压电源的设计叨.琼州大
学学报,2004,1l(2).
【11】张志科.电源技术的发展与现状叨.忻州师范学院学报,
2004,20(2).
【l 2】邹振春,王宗和.单片机实训[M】.北京:高等教育出版
二、调试与分析
调试仪器:数字万用表、电烙铁、斜口钳、尖嘴钳、吸锡器、
镊子。
社.2002.
万方数据
一37—
基于单片机的可编程直流稳压电源设计
刊名:
英文刊名:
年,卷(期):
中国高新技术企业
CHINA HIGH TECHNOLOGY ENTERPRISES
2009(21)
参考文献(12条)
1.郝立军 直流稳压电源的设计方法 2007(01)
2.王翠珍.唐金元 可调直流稳压电源电路的设计 2006(05)
3.殷红彩.葛立峰 一种多输出直流稳压电源的设计 2006(09)
4.何希才 稳压电源电路的设计与应用 2006
5.郑耀添 直流电源技术的发展方向 2005(03)
6.Lu Yansun Manufacturing Development Emphases On Power Generation and Transmission Apparatus In
11th Five-Year Plan Period And Prospect To the Year 2020 2004
7.陈宁 基于单片机的高品质直流电源 2005(02)
8.顾旭 关于直流稳压电源整流电路的探讨 2005(10)
9.葛晖 直流稳压电源的基本原理 2004(04)
10.韩建文 基于单片机的智能稳压电源的设计 2004(02)
11.张志科 电源技术的发展与现状 2004(02)
12.邹振春.王宗和 单片机实训 2002
本文链接: